1 引言
垂直流人工濕地因具有較高的水力負荷、污染物去除效率高、占地小等優點,越來越得到大面積的應用.近年來,垂直流濕地多用于不同污染負荷生活污水的處理,其凈化效果主要受濕地類型構造本身、填料、植物類型、進水C/N比與啟動季節等因素的影響,而關于進水C/N比對不同植物類型處理生活污水效果的影響研究相對較少.污水C/N比是反映濕地系統內部碳氮循環的主要指標,綜合了濕地生態系統功能的變異性,容易測量,是確定廢水碳氮平衡特征的一個重要參數.濕地系統的進水C/N比特征直接影響著微生物的群落結構,從而影響污水處理效果.另外,不同濕地植物、不同環境條件下及不同生長時期對N、P的需求量也不同.植物對N、P吸收量及比例的變化,也會間接影響其在不同季節對污水去除效率的貢獻.
本研究針對垂直流型人工濕地系統,研究水蔥(Scirpus tabernaemontani),香蒲(Typha orientalis,)菖蒲(Acorus calamus)和千屈菜(Lythrum salicaria)4種植物濕地在不同進水C/N比條件下的污水凈化能力,探討其可能的影響機制.
2 材料和方法
2.1 人工濕地的構建
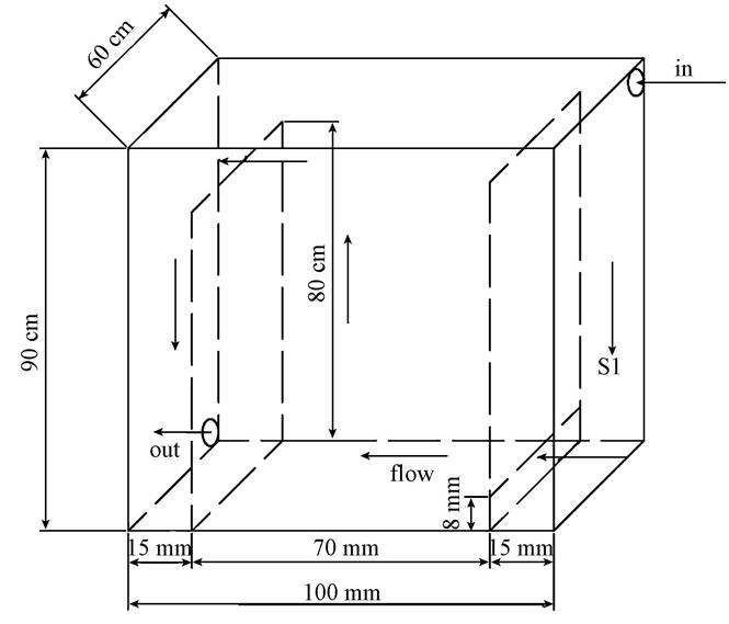
人工濕地污水處理系統于2014年1月建于復旦大學生態學實驗基地溫室大棚內,為垂直潛流型人工濕地(圖 1),各濕地尺寸均為1.0 m×0.6 m×0.9 m(長×寬×高),在長邊15 cm處分別用隔板隔開,靠近進水端15 cm的隔板底部以尺寸為0.80 m×0.15 m的矩形開口相通.布水區填料上層為粒徑約12 mm的爐渣,厚度為45 cm,爐渣在使用前經過5次沖洗,以避免其會產生高堿度的環境,從而危害植物和根系間微生物的生長;下層為粒徑約15 mm的礫石,厚度為20 cm,進出水隔板之間10 cm的高度差使得水流可以從布水區自行流入出水端.進水區采用穿孔(15 mm的孔,間距為100 mm)PVC管均勻布水,試驗于2014年1—3月先進行濕地馴化,2014年4月到2015年1月為污水處理正式運行階段,采用連續進水方式,水力負荷為0.67 m3 · m-2 · d-1,HRT為1.5 d,填料層的孔隙率約為43%.3種不同的C/N比進水條件,每種植物濕地均為4個平行處理,共計48個濕地單元.

?圖1 垂直流型人工濕地
2.2 模擬生活污水的配制及進水水質特征
對4種植物類型濕地進行碳源不同污染梯度水平的添加處理,碳源添加濃度分別為100、200、400 mg · L-1(污染負荷分別為322.64、645.35、1280.06 mg · m-3 · d-1),N素添加濃度為40 mg · L-1(污染負荷為107.75 mg · m-3 · d-1),P素添加濃度為5 mg · L-1(污染負荷為16.58 mg · m-3 · d-1).模擬污水的配方為 100、200、400 g · m-3 葡萄糖,80 g · m-3 尿素,15 g · m-3 NaH2PO4,1.5 g · m-3 KH2PO4,4 g · m-3 CaCl2,2 g · m-3 MgSO4.3種不同C/N比進水條件分別為C1N(2.5 ∶ 1)、C2N(5 ∶ 1)和C3N(10 ∶ 1).每種濕地植物在相同進水條件下的處理均為4個平行組.模擬生活污水的進水水質特征見表 1和表 2.

表1 不同進水C/N比條件下主要理化指標的進出水特征


表2 不同進水C/N比條件下主要污染物的進水濃度與去除率及濕地植物收獲后生物量?
2.3 實驗步驟
本研究選取本實驗室前期篩選出的具有較好污染物降解效果的水蔥、香蒲、菖蒲和千屈菜,均為挺水植物.2014年的2月1日每個濕地單元分別種植水蔥(Scirpus tabernaemontani)、香蒲(Typha orientalis)菖蒲(Acorus calamus)和千屈菜(Lythrum salicaria),上述4種濕地植物種植時單個濕地平均鮮重分別為0.28、0.34、0.21和0.41 kg,種植密度為 5~8 株 · m-2.前期濕地用模擬生活污水灌水2個月,該階段為濕地的馴化期.實驗運行周期為10個月,時間為2014年的4月1日至2015年的1月31日,模擬污水以0.21 m3 · m-2 · d-1的水力負荷進入人工濕地單元,配水裝置是一個直徑5 cm的塑料管,其上分布著直徑1.5 mm的小圓孔.每周通過一個200 L的大水箱向人工濕地供水5 d,另外2 d為停歇時間.
2.4 水樣、植物樣采集與測定
每周采集進出水樣一次,每月測定的4個周的平均值作為該月處理水樣的月平均值.COD采用重鉻酸鉀法測定,TP采用AQ2全自動間斷化學分析儀(Automated Chemistry Analyzer,Engl and )測定,TN采用德國產Liquor TOC分析儀測定.物理化學指標的測試包括氧化還原電位(Eh)、pH值、溶解氧(DO),均是在現場實地測量,其中,DO采用Orion Dissolved Oxygen Probe(Model 862Aplus,USA)測量,Eh采用Orion 250Aplus ORP Field Kit測量,pH值采用Orion Portable pH Meter(Model 250Aplus,USA)測量.分別采集和測定各濕地植物實驗前后的生物量,本研究采用種植前與實驗結束收獲后濕地植物鮮重表示生物量.
2.5 數據分析
污染物去除率R的計算公式如下:
式中,Ci和Ce分別表示進水和出水的濃度(mg · L-1).1個月中每周測量值的平均值用來表示1個月中污染物的去除效果.
2.6 統計分析
所有的數據都采用SPSS軟件進行分析.一階方差分析用來分析4種不同植物垂直潛流式人工濕地各種參數條件下的出水狀況.二階方差分析用來分析測試不同的碳元素添加、人工濕地植物類型、季節變化,以及其兩兩或者3個一起的綜合影響作用.Duncan多倍范圍檢驗用來進一步評價方差分析中的差異顯著性.
3 結果
3.1 主要物理化學指標的變化
pH值、氧化還原電位(Eh)和溶解氧(DO)值見表 1.對于pH值,3種C/N比進水條件下,4種植物濕地均表現為出水值(6.38~6.81)低于進水值(7.23~7.56),但不同處理條件下,不同植物間差異不顯著(p>0.05).對于DO值,C1N和C2N處理要顯著高于C3N處理(p<0.05),但相同處理不同植物類型間差異不顯著(p>0.05).對于4種植物濕地類型,Eh值在C1N、 C2N和C3N處理中差異也不顯著(p>0.05).
3.2 主要污染物去除率隨時間的變化
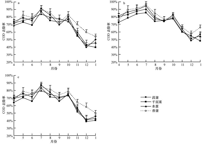
主要污染物去除率在處理過程中各個月份中的變化明顯,3種進水負荷下,COD去除率在香蒲和菖蒲濕地均優于水蔥和千屈菜濕地(圖 2,表 2).如圖 2a所示,C1N處理中,4種植物濕地中COD去除率在秋末和冬初波動相對較大.在C2N和C3N處理中,4種植物濕地均表現出在7月和10月COD去除率較高(圖 2b和2c).到實驗結束(1月),3種處理條件下,不同植物濕地對COD去除率均下降到最低值,受季節影響顯著.由表 3的方差分析發現,季節、植物類型與季節的交互作用對COD的去除率影響顯著(p<0.05).

?圖2 實驗期間COD去除率變化(a.C/N=2.5 ∶ 1; b.C/N=5 ∶ 1; c.C/N=10 ∶ 1)?
?
表3 濕地植物類型、碳添加、季節變化參數的方差分析
如圖 3所示,4種植物濕地中TN去除率在所有進水條件下均出現了較為明顯的波動.在C1N和C2N處理中,水蔥濕地的TN去除率低于其他3種植物濕地(圖 3a,3b),而香蒲濕地在整個實驗階段TN去除率均較高.在C2N和C3N處理中,4種植物濕地類型在10月TN去除率明顯較高,冬初(11—12月)也表現出了相對較高的去除能力(圖 3b和3c),然而到翌年1月均呈明顯下降趨勢,TN去除率較低.在整個實驗啟動期間,TN去除率受季節變化影響明顯,波動時間相對較長.研究發現,季節對TN的凈化效果具有顯著影響(p<0.05)(表 3).

??圖3 實驗期間TN去除率變化(a.C/N=2.5 ∶ 1; b.C/N=5 ∶ 1; c.C/N=10 ∶ 1)
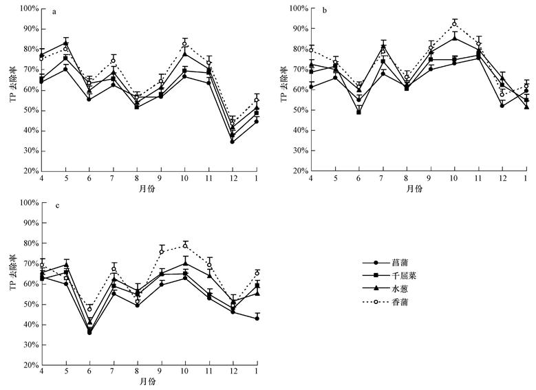
對于TP去除率,其在所有進水負荷條件下都表現出在香蒲和水蔥濕地稍高于菖蒲和千屈菜濕地(圖 4).表 3分析發現,季節對TP去除率的影響明顯(p<0.05).較高的TP去除率出現在4—5月,但最低值大都出現在冬季(12月,C/N=10 ∶ 1情況下最低值出現在6月)(圖 4).TP去除率在菖蒲濕地總是相對較低,且受季節變化影響顯著.

?圖4 實驗期間TP去除率變化(a.C/N=2.5 ∶ 1; b.C/N=5 ∶ 1; c.C/N=10 ∶ 1)
4 討論
不同進水C/N比處理條件下,濕地去除能力有明顯差別.很多研究結果表明,進水的污染物負荷的C/N比對污水的凈化效果有較大的影響.趙永軍等研究發現,微生物在不同生長階段會根據自身需要調節所需要的C/N和P/C比,較高的生長速率不僅僅會出現在較高的C/N和P/C比下,也會出現在較低的N/P比的情況下,如細菌.合理控制C源和N源,以及進水污染物的C/N比,對于提高COD的去除率具有積極意義.本研究COD去除率達63%~78%,與在水平潛流型濕地的處理效果接近(60%),而略低于Poach等)的研究結果.COD的去除率在香蒲濕地中相對高于其他3種濕地,其機理可能是香蒲植物向根區輸氧能力更強,在植物根區的還原態介質中形成氧化態微環境,使有氧區域和無氧區域共同存在,有利于充分發揮微生物降解有機污染物的作用.利用菖蒲濕地處理生活污水時COD的去除率約為76%,與本研究進水C/N=5 ∶ 1時結果基本相同.另外,4種植物濕地均受到了進水負荷和季節變化的較大影響.COD在污染物進水負荷為C/N=5 ∶ 1時的去除率達到最大.C/N=10 ∶ 1時的結果顯示,在較高的C/N負荷中,有機污染物的降解率相對較低.此結果與趙永軍等的研究結果基本一致.
垂直潛流人工濕地對于氮的去除主要是依靠硝化和反硝化過程實現的.當C/N=5 ∶ 1時,TN去除率比C1N和C3N處理高,而香蒲濕地也略高于其他3種植物濕地.這說明在適合的C/N比條件下,可使得硝化反應和反硝化反應達到最佳狀態,適量的碳源保證了濕地反硝化過程的順利進行.而植物的合理選擇也在一定程度上提高了TN的去除效果.在不同的進水負荷條件下,平均TN去除率在香蒲濕地中達到了38%~49%,與Seo等(2008)在水平流濕地中48%的去除率接近.比較了水蔥、香蒲和千屈菜等濕地植物對生活污水的TN去除率,發現香蒲的去除效果高于千屈菜,這與本實驗的研究結果基本一致.另外,該研究結果表明,季節變化對于TN的去除則是有非常顯著的影響,特別是在6—7月間,TN去除率達到最高值.TN在夏季有較高的去除率,其原因可能是植物在較高溫度下良好生長,根系充分發育,為植物根系間微生物提供了良好的新陳代謝環境所致.
人工濕地中TP的去除主要是通過濕地基質填料的吸附作用和沉降作用來實現的.為了可以達到較好的除磷效果,本研究以爐渣作為濕地填料的上層填充物,在不同進水條件下4種植物濕地均表現出了較高的TP去除率.Tanner等研的究結果表明,P在人工濕地中的吸附沉淀降解是一種有限的過程,經過一段時間以后濕地填料必須要更新或者沖洗以后才能再用,否則TP去除效果會下降.因此,人工濕地填料的選擇對于TP的去除是一個非常重要的影響因素研究發現,水蔥對總氮的凈化效率可達到85%,好于其他挺水植物濕地.但本試驗中水蔥濕地雖去除率高于其他3種濕地,但僅為70%左右.這可能與研究的人工濕地類型與進水濃度不同有關.本研究發現,不同植物類型濕地間TP的去除率差異不大,可能的原因是植物對于磷元素的吸收對于整個TP去除的貢獻率較小,濕地基質的吸附降解作用是其主要途徑.不同C/N比處理下,TP的去除效果也差異明顯,當C/N=5 ∶ 1時,具有最大值(63%~73%).這說明進水的C/N比也是影響人工濕地TP去除效果的重要因素.合理設計人工濕地進水C/N比例,有利于取得理想的TP凈化效果.具體參見 污水處理技術資料或污水技術資料更多相關技術文檔。
5 結論
通過室外垂直潛流人工濕地中試實驗中4種濕地植物處理不同進水負荷和C/N比生活污水在一個生長季的污染物凈化效果和季節動態的研究,最終確定了最佳的植物選擇和進水負荷及C/N比.在COD為200 mg · L-1,進水C/N=2.5~5.0時,香蒲和水蔥具有較好的凈化效果,可作為優先選擇的植物類型.本研究對于提高垂直潛流人工濕地中污染物的去除效果,優化垂直潛流人工濕地工程設計中的理論參數具有重要的理論價值.
